880-NSK滚珠丝杠 W2511FA-5PGX-C5Z50 产品参数介绍 nsk丝杆代理
我司注重客户需求,努力满足各种行业的应用要求。无论是工业制造、汽车、机械设备还是其他领域,他们都能根据客户的需求提供定制化的解决方案,并确保及时交付和优质的售后服务。
滚珠丝杠W2511FA-5PGX-C5Z50 实物图:

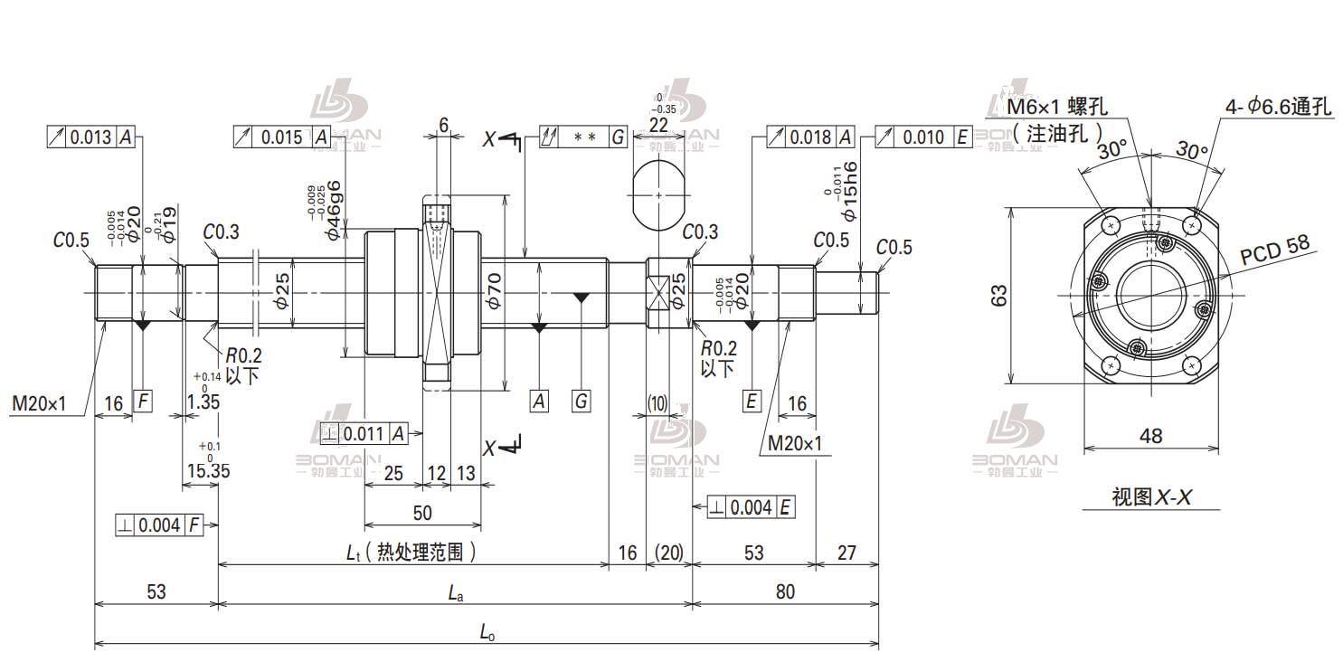
NSK滚珠丝杠 W2511FA-5PGX-C5Z50 尺寸图:

NSK滚珠丝杠W2511FA-5PGX-C5Z50 参数:
丝杠轴外径& : 25
导程& : 50
jrhz.info丝杠轴底径& : 21.9
滚珠节圆直径& : 26
钢球直径& : 3.969
精度等级& : C5
螺母直径& : 46
法兰直径& : 70
螺母长度& : 50
螺母安装PCD& : 58
额定动负载Ca:N& : 8090
额定静负载C0a:N& : 14600
有效圈数& : 0.7×2
轴向间隙& : 0
最大行程& : 1080
丝杠全长& : 1313
导程精度代表运行距离误差ep& : 0.046
导程精度变动vu& : 0.03
轴心跳动& : 0.09
单位重量kg& : 5.3
我司有这近7000平的NSK产品的仓储,能满足您的急需要求。我司同事还做产品加工维修服务,期待您的咨询,我们竭诚为您服务。








相关检索:
滚珠丝杠的工作原理和工作过程,滚珠丝杠型号表大全,滚珠丝杠尺寸规格,滚珠丝杠的工作原理是什么,滚珠丝杠螺母副的作用,滚珠丝杠选型表,滚珠丝杠螺母副由什么组成,滚珠丝杠的工作原理动图,滚珠丝杠图片高清,滚珠丝杠图纸怎么看
相关问答:
1、 研磨滚珠丝杠的加工工艺是怎样的?
研磨滚珠丝杠的原理是利用砂轮的旋转和滚珠丝杠的转动相互作用,将砂轮的磨料与滚珠丝杠的表面摩擦磨损,达到加工的目的。在研磨过程中,砂轮与滚珠丝杠的相对运动产生了热量,需要通过冷却液将其散热。研磨滚珠丝杠的过程需要精确控制砂轮和滚珠丝杠的相对位置和角度,以达到最佳磨削效果。研磨后的滚珠丝杠表面更加光滑,精度更高,可以提高机器的运行效率和寿命。
2、 左旋滚珠丝杠与右旋滚珠丝杠的结构有何不同?
滚珠丝杠的旋转方向是由螺纹方向决定的,如果是向右螺纹,则滚珠丝杠是右旋的,如果是向左螺纹,则是左旋的。因此,滚珠丝杠的旋转方向不是分左右,而是由螺纹方向决定的。
3、 滚珠丝杠和铜丝母的价格区别大吗?
滚珠丝杠和铜丝母是两种不同的螺纹连接件。 滚珠丝杠是一种利用滚珠往返滚动在螺纹轴上移动的机械元件。它通常用于需要高精度和高速度的线性运动系统中,例如机床、『机器人』️等。滚珠丝杠的优点是高效率、高精度、长寿命和低摩擦力。 铜丝母是一种用于螺纹连接的金属元件,它通常由铜或其他可塑性材料制成。铜丝母的优点是易于加工和安装,适用于多种应用场合,例如电子设备、仪器仪表、汽车和航空航天等。 因此,滚珠丝杠和铜丝母在结构、用途和性能上都有很大的区别。滚珠丝杠适用于需要高精度和高速度的线性运动系统,而铜丝母适用于一般螺纹连接。
4、 滚珠丝杠内循环冲击力是什么?
滚珠丝杠内循环冲击力大的原因是因为滚珠丝杠的工作原理是通过滚珠在螺纹母和螺纹杆之间滚动运动来传递力量。在高速运转时,滚珠会以高速运动,产生冲击力,同时在滚珠和导轨之间摩擦也会产生热量,导致滚珠丝杠过热。因此,为了减少滚珠丝杠的内循环冲击力,需要采取一些措施,如加强润滑、降低运转速度等。
5、 为什么滚珠丝杠不能反转?
滚珠丝杠可以反转,但是需要考虑到反向的力和方向对于机器的影响。在正向旋转时,滚珠丝杠可以承受较大的负载,但是在反向旋转时,由于滚珠与丝杠的方向相反,可能导致滚珠掉落或者磨损加快,因此需要进行相应的设计和防护措施。
6、 滚珠丝杠中的钢珠数量对丝杠性能有何影响?
滚珠丝杠的钢珠数量会因为不同的尺寸而有所不同。一般而言,钢珠数量越多,滚珠丝杠的承载能力和精度就越高。以下是常见的钢珠数量范围:- M3 滚珠丝杠:2-6颗钢珠- M4 滚珠丝杠:4-12颗钢珠- M5 滚珠丝杠:6-20颗钢珠- M6 滚珠丝杠:8-26颗钢珠- M8 滚珠丝杠:12-40颗钢珠- M10 滚珠丝杠:18-60颗钢珠- M12 滚珠丝杠:22-72颗钢珠
7、 微型磨削滚珠丝杠是什么?
微型磨削滚珠丝杠是一种小型的机械零件,由多个滚珠和丝杠组成。它常用于微小空间内的精密运动控制,例如在『机器人』️、3D打印机🖨️、航空航天器、医疗设备等领域。微型磨削滚珠丝杠通常由滚珠丝杠、螺母、端盖、密封圈和壳体等多个部件组成。滚珠丝杠的滚珠和螺纹丝杠上的丝纹通过滚动接触来传递力量和运动。这种结构使得微型磨削滚珠丝杠具有高精度、高刚性、低摩擦、长寿命等特点。微型磨削滚珠丝杠的应用范围很广泛,特别是在需要高精度、高速度、高可靠性的场合,例如在航空航天、医疗、『机器人』️等领域。它们可以帮助『机器人』️和其他设备实现精确的位置控制和运动控制,从而提高生产效率和质量。
8、 滚珠丝杠的维护保养有哪些要点?如何保证它的正常运行?
滚珠丝杠正反运动原理是指在滚珠丝杠的运动过程中,当螺纹轴旋转时,滚珠会在螺纹轴和螺母之间滚动,从而将螺母沿着螺纹轴移动。这个过程是滚珠丝杠的正向运动。当螺纹轴停止旋转时,螺母由于惯性继续沿着螺纹轴移动,滚珠则会在螺纹轴和螺母之间反向滚动,从而将螺母沿着反方向移动。这个过程是滚珠丝杠的反向运动。滚珠丝杠的正反运动原理基于滚珠在螺纹轴和螺母之间的滚动和运动惯性的作用。这种设计使得滚珠丝杠具有高精度、高速度和高承载能力等优点。
9、 这个滚珠丝杠的价格是多少?
杨浦区双向滚珠丝杠是一种机械传动元件,它具有高精度、高刚性、高效率等特点,广泛应用于各种机器设备中,如数控机床、航空航天、汽车制造、『半导体』设备等领域。双向滚珠丝杠主要由丝杠、滚珠、导轨和螺母等组成,丝杠作为传动轴,滚珠则在丝杆和导轨之间滚动,从而实现高精度的传动。杨浦区是上海市的一个行政区划,该区域内有许多制造业企业和科技企业,因此双向滚珠丝杠在该区域的应用也较为广泛。
10、 青海滚珠丝杠的尺寸和规格有哪些?
抱歉,我不知道青海滚珠丝杠的具体价格,因为价格会随着不同材质、尺寸、质量等因素而有所不同,您可以咨询当地的供应商或者在网上搜索相关信息来获取更准确的价格。




